usb通信电路图
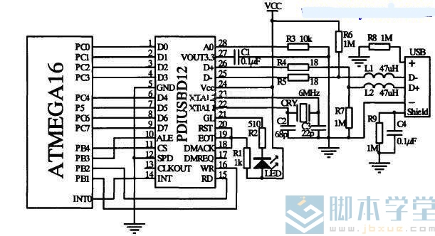
USB通信电路用于实现数据采集系统设备端和主机端之间的通信,这一功能主要是由核心微控制器ATmega16和USB控制器件PDIUSBD12实现的。
其中,PDIUSBD12是符合USB1.1协议的芯片,在USB通信电路中起着联系设备和主机的桥梁的作用。
微控制器ATmegal6和USB控制器PDIUSBD12之间通过8位并行总线进行通信,8位并行总线在ATmegal6端需要连接8个I/O口。
pdiusbd12片内集成了时钟乘法pll,晶振电路使用6mhz的晶振和两个2pf到68pf的电容。
pdiusbd12的信号输出端d+/d-上要各串接一个18欧的匹配电阻。
usb通信电路图,如下:
